
Покажчик потоку УП-20
від 2 500 ₴
- В наявності
- Код: УП-20
- +380 (67) 549-30-11відділ продажу
- +380 (95) 008-94-62відділ продажу
- +380 (50) 320-11-20
- +380 (56) 781-11-20
ПРИЗНАЧЕННЯ
Покажчик потоку призначений для візуального спостереження за потоком рідкого мастильного матеріалу або емульсії в централізованих мастильних системах та системах охолодження з кінематичною в’язкістю від 4 до 400 мм²/с (ст). При температурі навколишнього середовища від 1 до 55°С та мастильного матеріалу від 5 до 50°С. Покажчики потоку виготовлені для експлуатації в районах з помірним кліматом – виконання УХЛ4 за ГОСТ 15150-69.
Таблиця 1. ТЕХНІЧНІ ХАРАКТЕРИСТИКИ
УП-10, УП-16, УП-20, УП-25
| Найменування | Умовний прохід, Ду | Пропускний потік робочої рідини, л/хв. | Робочий тиск, МПа |
| УП-10 | 10 | 10 | 0,4 |
| УП-16 | 16 | 16 | |
| УП-20 | 20 | 25 | |
| УП-25 | 25 | 40 |
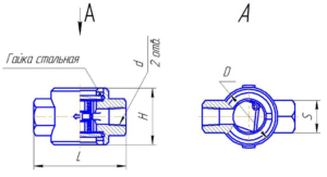
Таблиця 2. ГАБАРИТНІ ТА ПРИЄДНУВАЛЬНІ РОЗМІРИ
УП-10, УП-16, УП-20, УП-25
| Найменування | d
ГОСТ 6211-81 |
D,мм | H,мм | L,мм | S,мм |
| УП-10 | Rc 3/8 | 60±0,74 | 54,0±0,74 | 90-1,4 | 32-0,34 |
| УП-16 | Rc 1/2 | ||||
| УП-20 | Rc3/4 | 65±0,74 | 60,5±0,74 | 115-1,4 | 41-0,34 |
| УП-25 | Rc 1 |
Малюнок 1.

Таблиця 3. ТЕХНІЧНІ ХАРАКТЕРИСТИКИ
УП-32, УП-40, УП-50
| Найменування | Умовний прохід, Ду | Пропускний потік робочої рідини, л/хв. | Робочий тиск, МПа |
| УП-32 | 32 | 50 | 0,4 |
| УП-40 | 40 | 63 | |
| УП-50 | 50 | 80 |
Таблиця 4. ГАБАРИТНІ ТА ПРИЄДНУВАЛЬНІ РОЗМІРИ
УП-32, УП-40, УП-50
| Найменування | Dy | D | d | d1 | d2 | B | L |
| УП-32 | 32 | 135 | 75 | 100 | 82 | 2 | 160 |
| УП-40 | 40 | 145 | 83 | 110 | 90 | 3 | 170 |
| УП-50 | 50 | 160 | 100 | 125 | 104 | 3 | 180 |
| Основні | |
|---|---|
| Виробник | Гідроапаратура |
| Країна виробник | Україна |
| Гарантійний термін | 12 міс |
| Користувальницькі характеристики | |
| Об'єм рідини | 25 л |
- Ціна: від 2 500 ₴
- Спосіб упаковки: паковання 1 шт.

